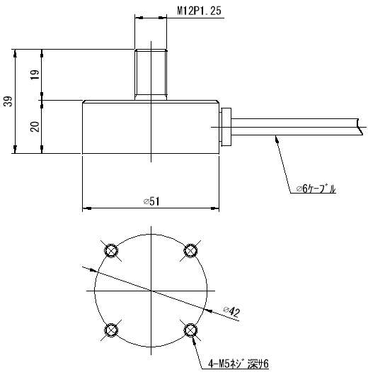
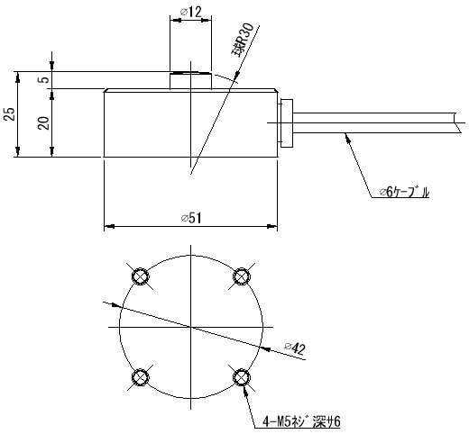
圧縮型ロードセル
TLCD
小型圧縮ロードセル:狭い場所でも高精度測定
この小型圧縮ロードセルは、限られたスペースでの使用に最適な設計が施されています。そのコンパクトで軽量なボディは、従来のロードセルの設置が困難だった場所にも簡単に取り付け可能です。
優れた耐久性と幅広い用途
オールステンレス製のため耐食性に優れており、厳しい環境下でも高い性能を維持します。試験機、圧入プレス、カシメ機といった製造現場での利用はもちろんのこと、各種実験や研究用途にも幅広く対応します。高精度な測定が求められるあらゆる場面で、確かな測定精度と信頼性を提供します。
特長
小型・軽量ながら高精度
- オールステンレス製で優れた耐食性
- 低ハイト設計で省スペース設置が可能
特注対応
お客様のニーズに合わせて、以下のカスタマイズが可能です。
- 荷重受部のオスネジ化
- 底面取り付け穴の一部変更
- 防水対応
| 型式 | 定格容量 | |
| TLCD-100N | 100N | 10.19kgf |
| TLCD-200N | 200N | 20.39kgf |
| TLCD-500N | 500N | 50.99kgf |
| TLCD-1KN | 1kN | 101.9kgf |
| TLCD-2KN | 2kN | 203.9kgf |
| TLCD-5KN | 5kN | 509.9kgf |
| TLCD-10KN | 10kN | 1.019tonf |
| TLCD-20KN | 20kN | 2.039tonf |
仕様
| 定格容量 | 100N~20kN |
| 定格出力 | 1mV/V±1%(5kN~20kNは1.5mV/V) |
| 非直線性 | 0.2%R.O.(100Nは0.3%R.O.) |
| ヒステリシス | 0.2%R.O.(100Nは0.3%R.O.) |
| 繰り返し性 | 0.1%R.O. |
| 推奨印加電圧 | 10V |
| 許容印加電圧 | 15V |
| 入出力抵抗 | 350Ω±1% |
| 絶縁抵抗 | 2000MΩ以上 |
| 温度補償範囲 | -10~+70℃ |
| 許容温度範囲 | -20~+80℃ |
| 温度による零点の影響 | ±0.01%R.O./℃ |
| 温度による出力の影響 | ±0.01%/℃ |
| 許容過負荷 | 120%R.C. |
| ケーブル | φ6、4芯シールドケーブル3m |
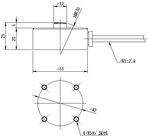
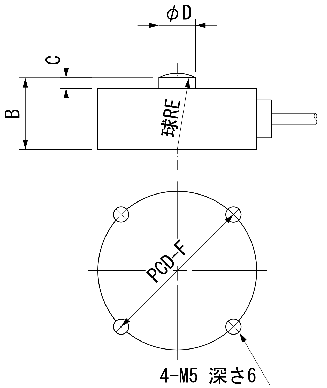
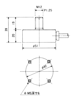
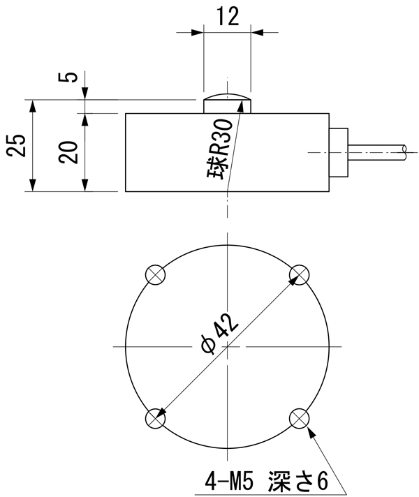
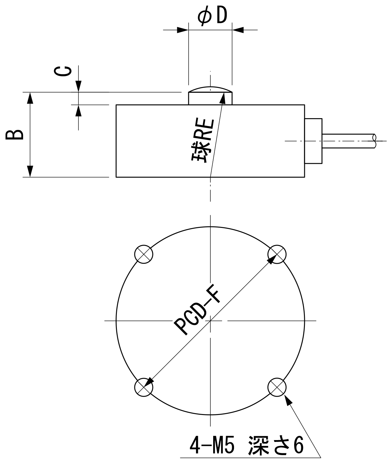
寸法表
| 型式 | 定格容量 | φA | B | C | φD | E | φF | Weight(kg) |
| TLCD-100N | 100N | 52 | 25 | 3 | 6 | 20 | 42 | 0.33 |
| TLCD-200N | 200N | 52 | 25 | 5 | 12 | 30 | 42 | 0.33 |
| TLCD-500N | 500N | 52 | 25 | 5 | 12 | 30 | 42 | 0.33 |
| TLCD-1KN | 1kN | 52 | 25 | 5 | 12 | 30 | 42 | 0.33 |
| TLCD-2KN | 2kN | 52 | 25 | 5 | 12 | 30 | 42 | 0.33 |
| TLCD-5KN | 5kN | 52 | 25 | 5 | 12 | 30 | 42 | 0.33 |
| TLCD-10KN | 10kN | 52 | 25 | 5 | 12 | 30 | 42 | 0.34 |
| TLCD-20KN | 20kN | 58 | 35 | 5 | 12 | 30 | 45 | 0.57 |
TLCD
小型圧縮ロードセル:狭い場所でも高精度測定
この小型圧縮ロードセルは、限られたスペースでの使用に最適な設計が施されています。そのコンパクトで軽量なボディは、従来のロードセルの設置が困難だった場所にも簡単に取り付け可能です。
優れた耐久性と幅広い用途
特長
小型・軽量ながら高精度
- オールステンレス製で優れた耐食性
- 低ハイト設計で省スペース設置が可能
特注対応
お客様のニーズに合わせて、以下のカスタマイズが可能です。
- 荷重受部のオスネジ化
- 底面取り付け穴の一部変更
- 防水対応
| 型式 | 定格容量 | |
| TLCD-100N | 100N | 10.19kgf |
| TLCD-200N | 200N | 20.39kgf |
| TLCD-500N | 500N | 50.99kgf |
| TLCD-1KN | 1kN | 101.9kgf |
| TLCD-2KN | 2kN | 203.9kgf |
| TLCD-5KN | 5kN | 509.9kgf |
| TLCD-10KN | 10kN | 1.019tonf |
| TLCD-20KN | 20kN | 2.039tonf |
仕様
| 定格容量 | 100N~20kN |
| 定格出力 | 1mV/V±1%(5kN~20kNは1.5mV/V) |
| 非直線性 | 0.2%R.O.(100Nは0.3%R.O.) |
| ヒステリシス | 0.2%R.O.(100Nは0.3%R.O.) |
| 繰り返し性 | 0.1%R.O. |
| 推奨印加電圧 | 10V |
| 許容印加電圧 | 15V |
| 入出力抵抗 | 350Ω±1% |
| 絶縁抵抗 | 2000MΩ以上 |
| 温度補償範囲 | -10~+70℃ |
| 許容温度範囲 | -20~+80℃ |
| 温度による零点の影響 | ±0.01%R.O./℃ |
| 温度による出力の影響 | ±0.01%/℃ |
| 許容過負荷 | 120%R.C. |
| ケーブル | φ6、4芯シールドケーブル3m |
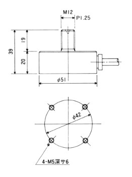
寸法表
| 型式 | TLCD-100N | TLCD-200N | TLCD-500N |
| 定格容量 | 100N | 200N | 500N |
| φA | 52 | 52 | 52 |
| B | 25 | 25 | 25 |
| C | 3 | 5 | 5 |
| φD | 6 | 12 | 12 |
| E | 20 | 30 | 30 |
| φF | 42 | 42 | 42 |
| Weight(kg) | 0.33 | 0.33 | 0.33 |
| 型式 | TLCD-1KN | TLCD-2KN | TLCD-5KN |
| 定格容量 | 1kN | 2kN | 5kN |
| φA | 52 | 52 | 52 |
| B | 25 | 25 | 25 |
| C | 5 | 5 | 5 |
| φD | 12 | 12 | 12 |
| E | 30 | 30 | 30 |
| φF | 42 | 42 | 42 |
| Weight(kg) | 0.33 | 0.33 | 0.33 |
| 型式 | TLCD-10KN | TLCD-20KN | |
| 定格容量 | 10kN | 20kN | |
| φA | 52 | 58 | |
| B | 25 | 35 | |
| C | 5 | 5 | |
| φD | 12 | 12 | |
| E | 30 | 30 | |
| φF | 42 | 45 | |
| Weight(kg) | 0.34 | 0.57 |
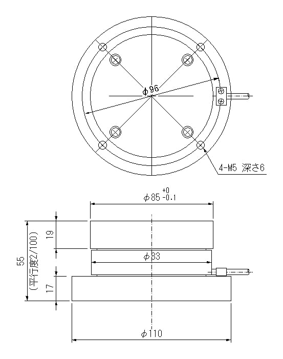
TLCF
TLCF型ロードセル:平面での高精度測定に
このロードセルは、段ボールの圧縮試験のように、測定対象の平面に荷重を集中させて測定する際に理想的なセンサーです。高精度かつ安定した測定を実現し、お客様のニーズに合わせて寸法のカスタマイズも可能です。
| 型式 | 定格容量 | |
| TLCF-500N | 500N | 50.99kgf |
| TLCF-1KN | 1kN | 101.9kgf |
| TLCF-2KN | 2kN | 203.9kgf |
仕様
| 定格容量 | 500N~2kN |
| 定格出力 | 1mV/V±1% |
| 非直線性 | 0.3%R.O. |
| ヒステリシス | 0.3%R.O. |
| 推奨印加電圧 | 10V |
| 許容印加電圧 | 15V |
| 入出力抵抗 | 350Ω±1% |
| 許容過負荷 | 120%R.C. |
| ケーブル | φ6、4芯シールドケーブル3m |
| 質量 | 約2.7kg(ケーブル含む) |
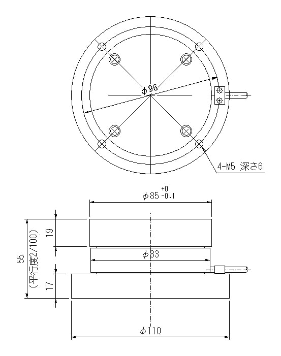
寸法表
TLCF
TLCF型ロードセル:平面での高精度測定に
| 型式 | 定格容量 | |
| TLCF-500N | 500N | 50.99kgf |
| TLCF-1KN | 1kN | 101.9kgf |
| TLCF-2KN | 2kN | 203.9kgf |
仕様
| 定格容量 | 500N~2kN |
| 定格出力 | 1mV/V±1% |
| 非直線性 | 0.3%R.O. |
| ヒステリシス | 0.3%R.O. |
| 推奨印加電圧 | 10V |
| 許容印加電圧 | 15V |
| 入出力抵抗 | 350Ω±1% |
| 許容過負荷 | 120%R.C. |
| ケーブル | φ6、4芯シールドケーブル3m |
| 質量 | 約2.7kg(ケーブル含む) |
寸法表
TLCL-B
精密測定機器への組み込みに適しています
オールステンレス製ボディにより小型・軽量ながら、高精度・高出力を実現。
| 型式 | 定格容量 | |
| TLCL-B-500N | 500N | 50.99kgf |
| TLCL-B-1KN | 1kN | 101.9kgf |
| TLCL-B-2KN | 2kN | 203.9kgf |
| TLCL-B-5KN | 5kN | 509.9kgf |
| TLCL-B-10KN | 10kN | 1.019tonf |
| TLCL-B-20KN | 20kN | 2.039tonf |
仕様
| 定格容量 | 500N~20kN |
| 定格出力 | 2mV/V±1% |
| 非直線性 | 0.15%R.O. |
| ヒステリシス | 0.15%R.O. |
| 繰り返し性 | 0.1%R.O. |
| 推奨印加電圧 | 10V |
| 許容印加電圧 | 15V |
| 入出力抵抗 | 350Ω±1% |
| 絶縁抵抗 | 2000MΩ以上 |
| 温度補償範囲 | -10~+70℃ |
| 許容温度範囲 | -20~+80℃ |
| 温度による零点の影響 | ±0.01%R.O./℃ |
| 温度による出力の影響 | ±0.01%/℃ |
| 許容過負荷 | 120%R.C. |
| ケーブル | φ6、4芯シールドケーブル3m |
| 質量 | 約0.42kg(ケーブル含む) |
寸法表
TLCL-B
精密測定機器への組み込みに適しています
| 型式 | 定格容量 | |
| TLCL-B-500N | 500N | 50.99kgf |
| TLCL-B-1KN | 1kN | 101.9kgf |
| TLCL-B-2KN | 2kN | 203.9kgf |
| TLCL-B-5KN | 5kN | 509.9kgf |
| TLCL-B-10KN | 10kN | 1.019tonf |
| TLCL-B-20KN | 20kN | 2.039tonf |
仕様
| 定格容量 | 500N~20kN |
| 定格出力 | 2mV/V±1% |
| 非直線性 | 0.15%R.O. |
| ヒステリシス | 0.15%R.O. |
| 繰り返し性 | 0.1%R.O. |
| 推奨印加電圧 | 10V |
| 許容印加電圧 | 15V |
| 入出力抵抗 | 350Ω±1% |
| 絶縁抵抗 | 2000MΩ以上 |
| 温度補償範囲 | -10~+70℃ |
| 許容温度範囲 | -20~+80℃ |
| 温度による零点の影響 | ±0.01%R.O./℃ |
| 温度による出力の影響 | ±0.01%/℃ |
| 許容過負荷 | 120%R.C. |
| ケーブル | φ6、4芯シールドケーブル3m |
| 質量 | 約0.42kg(ケーブル含む) |
寸法表
TLCL-BA
LCL-BAは、小型・軽量の圧縮型ロードセルです 。オールステンレス製で、高精度・高出力であるため、精密測定に適しています 。
| 型式 | 定格容量 | |
| TLCL-BA-500N | 500N | 50.99kgf |
| TLCL-BA-1KN | 1kN | 101.9kgf |
仕様
| 定格容量: | 500N、1kN |
| 定格出力: | 2mV/V±1% |
| 非直線性: | 0.15%R.O. |
| ヒステリシス: | 0.15%R.O. |
| 繰り返し性: | 0.1%R.O. |
| 推奨印加電圧: | 10V |
| 許容印加電圧: | 15V |
| 入出力抵抗: | 350Ω±1% |
| 絶縁抵抗: | 2000MΩ以上 |
| 温度補償範囲: | -10〜+70℃ |
| 許容温度範囲: | -20〜+80℃ |
| 温度による零点の影響: | ±0.01%R.O./℃ |
| 温度による出力の影響: | ±0.01%/℃ |
| 許容過負荷: | 120%R.C. |
| ケーブル: | φ6、4芯シールドケーブル3m |
| 質量: | 約0.4kg |
寸法表
TLCL-BA
| 型式 | 定格容量 | |
| TLCL-BA-500N | 500N | 50.99kgf |
| TLCL-BA-1KN | 1kN | 101.9kgf |
仕様
| 定格容量: | 500N、1kN |
| 定格出力: | 2mV/V±1% |
| 非直線性: | 0.15%R.O. |
| ヒステリシス: | 0.15%R.O. |
| 繰り返し性: | 0.1%R.O. |
| 推奨印加電圧: | 10V |
| 許容印加電圧: | 15V |
| 入出力抵抗: | 350Ω±1% |
| 絶縁抵抗: | 2000MΩ以上 |
| 温度補償範囲: | -10〜+70℃ |
| 許容温度範囲: | -20〜+80℃ |
| 温度による零点の影響: | ±0.01%R.O./℃ |
| 温度による出力の影響: | ±0.01%/℃ |
| 許容過負荷: | 120%R.C. |
| ケーブル: | φ6、4芯シールドケーブル3m |
| 質量: | 約0.4kg |
寸法表
TLCL-M
小型軽量でオールステンレス製となっております。高精度かつ高出力であるため、精密測定に最適です。
| 型式 | 定格容量 | |
| TLCL-M-500N | 500N | 50.99kgf |
| TLCL-M-1KN | 1kN | 101.9kgf |
| TLCL-M-2KN | 2kN | 203.9kgf |
| TLCL-M-5KN | 5kN | 509.9kgf |
| TLCL-M-10KN | 10kN | 1.019tonf |
| TLCL-M-20KN | 20kN | 2.039tonf |
仕様
| 定格容量 | 500N~20kN |
| 定格出力 | 2mV/V±1% |
| 非直線性 | 0.15%R.O. |
| ヒステリシス | 0.15%R.O. |
| 繰り返し性 | 0.1%R.O. |
| 推奨印加電圧 | 10V |
| 許容印加電圧 | 15V |
| 入出力抵抗 | 350Ω±1% |
| 絶縁抵抗 | 2000MΩ以上 |
| 温度補償範囲 | -10~+70℃ |
| 許容温度範囲 | -20~+80℃ |
| 温度による零点の影響 | ±0.01%R.O./℃ |
| 温度による出力の影響 | ±0.01%/℃ |
| 許容過負荷 | 120%R.C. |
| ケーブル | φ6、4芯シールドケーブル3m |
| 質量 | 約0.42kg(ケーブル含む) |
寸法表
TLCL-M
| 型式 | 定格容量 | |
| TLCL-M-500N | 500N | 50.99kgf |
| TLCL-M-1KN | 1kN | 101.9kgf |
| TLCL-M-2KN | 2kN | 203.9kgf |
| TLCL-M-5KN | 5kN | 509.9kgf |
| TLCL-M-10KN | 10kN | 1.019tonf |
| TLCL-M-20KN | 20kN | 2.039tonf |
仕様
| 定格容量 | 500N~20kN |
| 定格出力 | 2mV/V±1% |
| 非直線性 | 0.15%R.O. |
| ヒステリシス | 0.15%R.O. |
| 繰り返し性 | 0.1%R.O. |
| 推奨印加電圧 | 10V |
| 許容印加電圧 | 15V |
| 入出力抵抗 | 350Ω±1% |
| 絶縁抵抗 | 2000MΩ以上 |
| 温度補償範囲 | -10~+70℃ |
| 許容温度範囲 | -20~+80℃ |
| 温度による零点の影響 | ±0.01%R.O./℃ |
| 温度による出力の影響 | ±0.01%/℃ |
| 許容過負荷 | 120%R.C. |
| ケーブル | φ6、4芯シールドケーブル3m |
| 質量 | 約0.42kg(ケーブル含む) |
寸法表
TLCL-MA
小型軽量でオールステンレス製のTLCL-MA 圧縮型ロードセルは、高精度・高出力が特長です 。その優れた性能から、精密な測定用途に適しています 。
| 型式 | 定格容量 | |
| TLCL-MA-500N | 500N | 50.99kgf |
| TLCL-MA-1KN | 1kN | 101.9kgf |
仕様
| 定格容量: | 500N、1kN |
| 定格出力: | 2mV/V±1% |
| 非直線性: | 0.15%R.O. |
| ヒステリシス: | 0.15%R.O. |
| 繰り返し性: | 0.1%R.O. |
| 推奨印加電圧: | 10V |
| 許容印加電圧: | 15V |
| 入出力抵抗: | 350Ω±1% |
| 絶縁抵抗: | 2000MΩ以上 |
| 温度補償範囲: | -10~+70℃ |
| 許容温度範囲: | -20~+80℃ |
| 温度による零点の影響: | ±0.01%R.O./℃ |
| 温度による出力の影響: | ±0.01%/℃ |
| 許容過負荷: | 120%R.C. |
| ケーブル: | Φ6、4芯シールドケーブル3m |
| 質量: | 約0.4kg |
寸法表
TLCL-MA
| 型式 | 定格容量 | |
| TLCL-MA-500N | 500N | 50.99kgf |
| TLCL-MA-1KN | 1kN | 101.9kgf |
仕様
| 定格容量: | 500N、1kN |
| 定格出力: | 2mV/V±1% |
| 非直線性: | 0.15%R.O. |
| ヒステリシス: | 0.15%R.O. |
| 繰り返し性: | 0.1%R.O. |
| 推奨印加電圧: | 10V |
| 許容印加電圧: | 15V |
| 入出力抵抗: | 350Ω±1% |
| 絶縁抵抗: | 2000MΩ以上 |
| 温度補償範囲: | -10~+70℃ |
| 許容温度範囲: | -20~+80℃ |
| 温度による零点の影響: | ±0.01%R.O./℃ |
| 温度による出力の影響: | ±0.01%/℃ |
| 許容過負荷: | 120%R.C. |
| ケーブル: | Φ6、4芯シールドケーブル3m |
| 質量: | 約0.4kg |
寸法表