小型ロードセル 【圧縮型】
TLCS
主に取り付けスペースがないときに利用されるロードセルで、小型ながら高容量まで製作可能であり、しかも高精度で安定した測定が出来ます。
外形寸法の変更も可能で、被服、人間工学、ロボット等に幅広く使用されています。
型式 | 定格容量 | |
TLCS-10N | 10N | 1.019kgf |
TLCS-20N | 20N | 2.039kgf |
TLCS-50N | 50N | 5.099kgf |
TLCS-100N | 100N | 10.19kgf |
TLCS-200N | 200N | 20.39kgf |
TLCS-500N | 500N | 50.99kgf |
TLCS-1KN | 1kN | 101.9kgf |
仕様
定格容量 | 1kN~10kN |
定格出力 | 約1mV/V |
非直線性 | 1%R.O. |
ヒステリシス | 1%R.O. |
推奨印加電圧 | 5V |
許容印加電圧 | 10V |
入出力抵抗 | 350Ω |
許容過負荷 | 120%R.C. |
ケーブル | φ3、4芯シールドケーブル3m |
質量 | 約130g(ケーブル含む) |
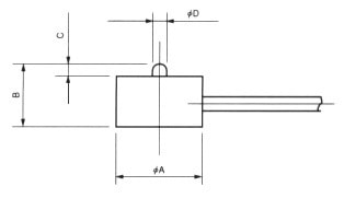
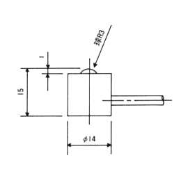
寸法表

型式 | 定格容量 | φA | B | C | φD |
TLCS-10N | 10N | 16 | 12 | 2 | 2.5 |
TLCS-20N | 20N | 16 | 12 | 2 | 2.5 |
TLCS-50N | 50N | 16 | 12 | 2 | 2.5 |
TLCS-100N | 100N | 20 | 11.5 | 2 | 2.5 |
TLCS-200N | 200N | 20 | 11.5 | 2 | 2.5 |
TLCS-500N | 500N | 20 | 11.5 | 2 | 2.5 |
TLCS-1KN | 1kN | 20 | 11.5 | 2 | 2.5 |

TLCS
主に取り付けスペースがないときに利用されるロードセルで、小型ながら高容量まで製作可能であり、しかも高精度で安定した測定が出来ます。
外形寸法の変更も可能で、被服、人間工学、ロボット等に幅広く使用されています。
外形寸法の変更も可能で、被服、人間工学、ロボット等に幅広く使用されています。

型式 | 定格容量 | |
TLCS-10N | 10N | 1.019kgf |
TLCS-20N | 20N | 2.039kgf |
TLCS-50N | 50N | 5.099kgf |
TLCS-100N | 100N | 10.19kgf |
TLCS-200N | 200N | 20.39kgf |
TLCS-500N | 500N | 50.99kgf |
TLCS-1KN | 1kN | 101.9kgf |
仕様
定格容量 | 1kN~10kN |
定格出力 | 約1mV/V |
非直線性 | 1%R.O. |
ヒステリシス | 1%R.O. |
推奨印加電圧 | 5V |
許容印加電圧 | 10V |
入出力抵抗 | 350Ω |
許容過負荷 | 120%R.C. |
ケーブル | φ3、4芯シールドケーブル3m |
質量 | 約130g(ケーブル含む) |
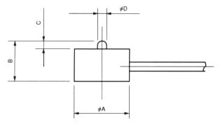
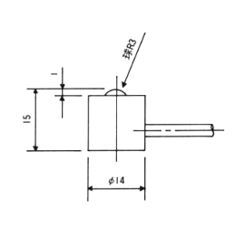
寸法表

型式 | TLCS-10N | TLCS-20N | TLCS-50N |
定格容量 | 10N | 20N | 50N |
φA | 16 | 16 | 16 |
B | 12 | 12 | 12 |
C | 2 | 2 | 2 |
φD | 2.5 | 2.5 | 2.5 |
型式 | TLCS-100N | TLCS-200N | TLCS-500N |
定格容量 | 100N | 200N | 500N |
φA | 20 | 20 | 20 |
B | 11.5 | 11.5 | 11.5 |
C | 2 | 2 | 2 |
φD | 2.5 | 2.5 | 2.5 |
型式 | TLCS-1KN | ||
定格容量 | 1kN | ||
φA | 20 | ||
B | 11.5 | ||
C | 2 | ||
φD | 2.5 |
TLCS-H
超小型・軽量なので取付けスペースの少ない所に利用できます。
特に本器は、超小型にもかかわらず、高容量が測定出来ます。
少スペース時の高荷重の測定に最適です。
型式 | 定格容量 | |
TLCS-H-5KN | 5kN | 509.9kgf |
TLCS-H-10KN | 10kN | 1.019tonf |
TLCS-H-20KN | 20kN | 2.039tonf |
TLCS-H-30KN | 30kN | 3.059tonf |
仕様
定格容量 | 5kN~30kN |
定格出力 | 約1mV/V |
非直線性 | 2%R.O. |
ヒステリシス | 2%R.O. |
推奨印加電圧 | 5V |
許容印加電圧 | 10V |
入出力抵抗 | 350Ω |
許容過負荷 | 120%R.C. |
ケーブル | φ3、4芯シールドケーブル3m |
質量 | 約150g(ケーブル含む) |
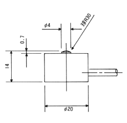
寸法表


TLCS-H
超小型・軽量なので取付けスペースの少ない所に利用できます。
特に本器は、超小型にもかかわらず、高容量が測定出来ます。
少スペース時の高荷重の測定に最適です。
特に本器は、超小型にもかかわらず、高容量が測定出来ます。
少スペース時の高荷重の測定に最適です。

型式 | 定格容量 | |
TLCS-H-5KN | 5kN | 509.9kgf |
TLCS-H-10KN | 10kN | 1.019tonf |
TLCS-H-20KN | 20kN | 2.039tonf |
TLCS-H-30KN | 30kN | 3.059tonf |
仕様
定格容量 | 5kN~30kN |
定格出力 | 約1mV/V |
非直線性 | 2%R.O. |
ヒステリシス | 2%R.O. |
推奨印加電圧 | 5V |
許容印加電圧 | 10V |
入出力抵抗 | 350Ω |
許容過負荷 | 120%R.C. |
ケーブル | φ3、4芯シールドケーブル3m |
質量 | 約150g(ケーブル含む) |
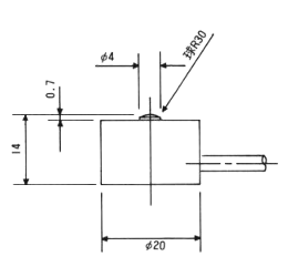
寸法表

TLCS-L
超小型・軽量なので取付けスペースの少ない所に利用できます。
特に本器は、超小型にもかかわらず、高容量が測定出来ます。
少スペース時の高荷重の測定に最適です。
型式 | 定格容量 | |
TLCS-L-1KN | 1kN | 101.9kgf |
TLCS-L-2KN | 2kN | 203.9kgf |
TLCS-L-3KN | 3kN | 305.9kgf |
TLCS-L-5KN | 5kN | 509.9kgf |
TLCS-L-10KN | 10kN | 1.019tonf |
仕様
定格容量 | 1kN~10kN |
定格出力 | 約1mV/V |
非直線性 | 1%R.O. |
ヒステリシス | 1%R.O. |
推奨印加電圧 | 5V |
許容印加電圧 | 10V |
入出力抵抗 | 350Ω |
許容過負荷 | 120%R.C. |
ケーブル | φ3、4芯シールドケーブル3m |
質量 | 約130g(ケーブル含む) |
寸法表


TLCS-L
超小型・軽量なので取付けスペースの少ない所に利用できます。
特に本器は、超小型にもかかわらず、高容量が測定出来ます。
少スペース時の高荷重の測定に最適です。
特に本器は、超小型にもかかわらず、高容量が測定出来ます。
少スペース時の高荷重の測定に最適です。

型式 | 定格容量 | |
TLCS-L-1KN | 1kN | 101.9kgf |
TLCS-L-2KN | 2kN | 203.9kgf |
TLCS-L-3KN | 3kN | 305.9kgf |
TLCS-L-5KN | 5kN | 509.9kgf |
TLCS-L-10KN | 10kN | 1.019tonf |
仕様
定格容量 | 1kN~10kN |
定格出力 | 約1mV/V |
非直線性 | 1%R.O. |
ヒステリシス | 1%R.O. |
推奨印加電圧 | 5V |
許容印加電圧 | 10V |
入出力抵抗 | 350Ω |
許容過負荷 | 120%R.C. |
ケーブル | φ3、4芯シールドケーブル3m |
質量 | 約130g(ケーブル含む) |
寸法表
