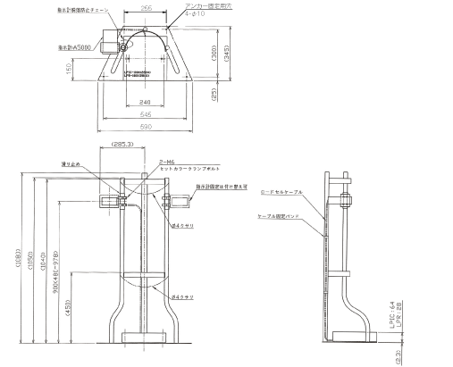
台はかり式ロードセル付きボンベスタンド
コンセントに挿すだけで、すぐに使える


指示計A5110-17

台はかりロードセル

※オプション : 低床型 LPR 高さ 28mm 薄型
製品仕様
- 商品名
- ボンベスタンドに台はかりロードセルと指示計を標準装備
- ボンベスタンド
- 7000L用
- ロードセル容量
- 100kg
- 載せ台サイズ
- 280 x 280 x 64mm
- ※オプション: 低床型 LPR 高さ 28mm 薄型
- 指示計
- A5110-17
- 固定金具でスタンドに取付
- ※オプション: 上下限警報
- 表示・精度
- 100K 最大表示 100.0/最小目盛 0.1 精度 0.1±2digit
- ※オプション:200K 最大表示 200.0/最小目盛 0.1 精度 0.2±2digit
- 防爆非対応
- 台はかりと表示器は接続配線済み
台はかり式ロードセル付きボンベスタンド カタログ
